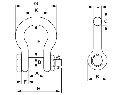
| cikkszám |
teherbírás t |
A mm |
B mm |
C mm |
D mm |
E mm |
F mm |
G mm |
H mm |
J mm |
K mm |
L mm |
saját tömeg kg |
| 1021110 | 30 | 60,5 | 91,9 | 41,1 | 41,4 | 146 | 35,3 | 175 | 196 | 254 | 98,6 | 38,9 | 8,52 |
| 1021138 | 40 | 73,2 | 106 | 57,2 | 50,8 | 178 | 44,5 | 224 | 237 | 313 | 127 | 46,7 | 15,4 |
| 1021156 | 55 | 82,6 | 122 | 61 | 57,2 | 197 | 50,8 | 258 | 264 | 347 | 146 | 52,8 | 23,6 |
| 1021174 | 85 | 105 | 148 | 79,2 | 69,9 | 267 | 66,5 | 324 | 345 | 455 | 184 | 68,8 | 43,5 |
| 1021192 | 120 | 127 | 165 | 92,2 | 82,6 | 330 | 76,2 | 371 | 384 | 546 | 200 | 79,2 | 81 |
| 1021218 | 150 | 133 | 203 | 111 | 95,3 | 372 | 95,3 | 432 | 448 | 632 | 229 | 91,9 | 120 |
| 1021236 | 175 | 140 | 229 | 116 | 108 | 368 | 102 | 457 | 517 | 652 | 254 | 102 | 153 |
| 1021414 | 200 | 184 | 267 | 152 | 121 | 397 | 95,3 | 533 | 539 | 743 | 279 | 114 | 204 |
| 1021432 | 250 | 216 | 305 | 165 | 127 | 508 | 98,6 | 622 | 576 | 889 | 330 | 114 | 272 |
| 1021450 | 300 | 213 | 305 | 171 | 152 | 495 | 129 | 635 | 637 | 895 | 330 | 127 | 352 |
| 1021478 | 400 | 210 | 356 | 184 | 178 | 572 | 165 | 660 | 728 | 1022 | 330 | 152 | 500 |
| A cikkszámokra kattintva a termék(ek) az ajánlatkérés menüben listázásra kerülnek. |
A félszemek terhelhetőségét bizonyos tényezők befolyásolhatják.

Félszem (sekli) Crosby 2140 extrém teherbírással

Egyéb oldalaink:
Rozsdamentes növényfuttató
és építészeti kötélrendszer
Offroad és gépjárműcsörlő webáruház
2021 Texem - Minden jog fenntartva