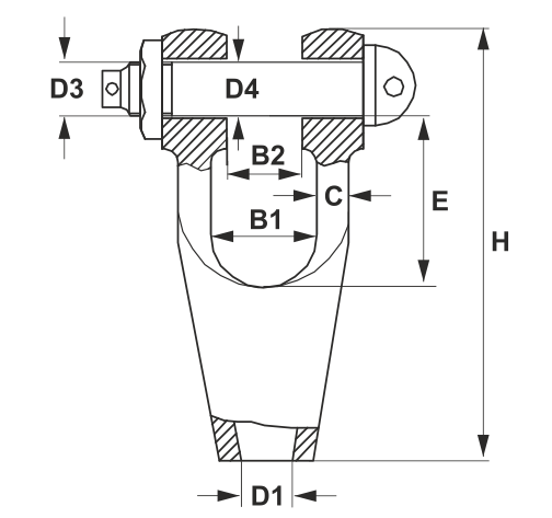
| cikkszám | névleges méret |
kötél Ø mm |
teherbírás t |
B1 mm |
B2 mm |
C mm |
D1 mm |
D3 mm |
D4 mm |
E mm |
H mm |
saját tömeg kg |
| 83316B016 | 1,6 | 12-14 | 1,6 | 37 | 27 | 12 | 17 | M20 | 20 | 55 | 147 | 1,1 |
| 83313B025 | 2,5 | 14-18 | 2,5 | 45 | 33 | 14 | 20 | M24 | 24 | 67 | 175 | 1,8 |
| 83313B030 | 3 | 16-20 | 3,15 | 50 | 38 | 16 | 22 | M27 | 27 | 73 | 195 | 2,4 |
| 83313B040 | 4 | 18-22 | 4 | 54 | 42 | 18 | 24 | M30 | 30 | 81 | 212 | 3,2 |
| 83313B050 | 5 | 20-24 | 5 | 60 | 47 | 20 | 27 | M36 | 36 | 88 | 237 | 5 |
| 83313B060 | 6 | 22-28 | 6 | 67 | 53 | 23 | 30 | M39 | 39 | 94 | 262 | 6,7 |
| 83313B080 | 8 | 26-30 | 8 | 73 | 60 | 26 | 33 | M45 | 45 | 104 | 289 | 9,5 |
| 83313B100 | 10 | 28-34 | 10 | 80 | 66 | 29 | 36 | M48 | 48 | 116 | 320 | 13 |
| 83313B120 | 12 | 32-38 | 12,5 | 89 | 73 | 32 | 40 | M52 | 52 | 130 | 356 | 17 |
| 83313B160 | 16 | 36-44 | 16 | 100 | 81 | 35 | 45 | M60 | 60 | 143 | 397 | 24 |
| 83313B200 | 20 | 40-50 | 20 | 110 | 90 | 40 | 50 | M68 | 68 | 157 | 435 | 31 |
| 83313B250 | 25 | 44-54 | 25 | 120 | 100 | 43 | 55 | M72 | 72 | 179 | 480 | 41 |
| 83313B320 | 32 | 50-62 | 31,5 | 132 | 110 | 48 | 60 | M80 | 80 | 191 | 525 | 55 |
| 83313B400 | 40 | 58-72 | 40 | 150 | 125 | 54 | 68 | M90 | 90 | 218 | 595 | 80 |
| A cikkszámokra kattintva a termék(ek) az ajánlatkérés menüben listázásra kerülnek. |

Sodonykötélvég-hüvely DIN 83313 szerint - nyitott

Egyéb oldalaink:
Rozsdamentes növényfuttató
és építészeti kötélrendszer
Offroad és gépjárműcsörlő webáruház
2021 Texem - Minden jog fenntartva